8-910 450-71 87     8-901 595-43 87  
  8-901 559-64 69  
  info@te-company.ru
WhatsApp    Telegram    Viber    Обратная связь
  8-910 450-71 87     8-901 595-43 87  
  8-901 559-64 69  
WhatsApp    Telegram    Viber    Обратная связь


Подогреватели водо-водяные

Короткое описание

Водо-водяные подогреватели предназначены для нагрева воды в системах горячего водоснабжения и отопления жилых, общественных зданий и сооружений.

Детальное описание

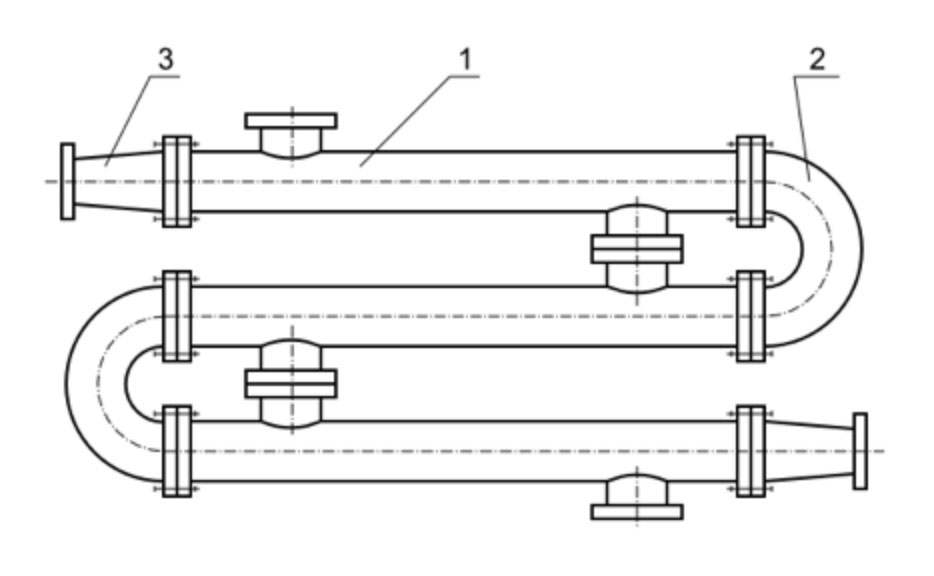
Водоводяной подогреватель ПВ - это теплообменник, в котором греющей средой является вода более высокой температуры. Обогреваемая среда - вода меньшей температуры. Секционный водоводяной подогреватель состоит из корпуса, выполненного из стальной бесшовной трубы, внутри которого расположены латунные трубки, ввальцованные двумя концами в глухие фланцы. Трубные пространства смежных секций соединяются гнутыми калачами на фланцах.

Водоводяные подогреватели выпускаются по ГОСТ 27590-2005 "Подогреватели кожухотрубные водо-водяные систем теплоснабжения. Общие технические условия".

 

Рис.1 Подогреватель водоводяной в сборе: 1-секция, 2-калач, 3-переход

Серийно изготовленный водоводяной подогреватель имеет длину секций 2 или 4 м. В зависимости от диаметра корпуса изменяется число латунных трубок, площадь поверхности теплообмена и, соответственно, мощность теплообмена подогревателя.

Обычно водоводяной подогреватель выпускается с латунными трубками, однако возможно изготовление его с трубками из нержавеющей стали.

 

Пример расшифровки условного обозначения ПВ1-57х2-Г-1,0-0,37-Т:

  • ПВ1 - водо-водяной подогреватель
  • 57- наружный диаметр корпуса, мм
  • 2 - длина секции, м
  • Г - тип исполнения - с гладкими теплообменными трубками
  • 1,0 - рабочее давление, МПа
  • 0,37 - поверхность нагрева одной секции, м2
  • Т - типовая

Технические характеристики

Марка 
подогревателя

Длина,
мм

Наружный 
диаметр
секции, мм

Тепловой 
поток 
секции, кВт

Кол-во 
трубок 
в секции

Поверхность
нагрева 
секции, м2

Масса 
секции, кг

ПВ1-57х2-Г-1,0-0,37-Т

2000

57

7,9

4

0,37

23,0

ПВ1-57х4-Г-1,0-0,75-Т

4000

57

17,6

4

0,75

35,8

ПВ1-76х2-Г-1,0-0,65-Т

2000

76

13,1

7

0,65

32,6

ПВ1-76х4-Г-1,0-1,32-Т

4000

76

28,3

7

1,32

52,4

ПВ1-89х2-Г-1,0-0,93-Т

2000

89

18,2

10

0,93

39

ПВ1-89х4-Г-1,0-1,88-Т

4000

89

40,7

10

1,88

64,2

ПВ1-114х2-Г-1,0-1,79-Т

2000

114

39,9

19

1,79

57,4

ПВ1-114х4-Г-1,0-3,58-Т

4000

114

85,7

19

3,58

97,1

ПВ1-168х2-Г-1,0-3,49-Т

2000

168

74,4

37

3,49

112,6

ПВ1-168х4-Г-1,0-6,98-Т

4000

168

147,5

37

6,98

193,8

ПВ1-219х2-Г-1,0-5,75-Т

2000

219

113,4

61

5,75

182,6

ПВ1-219х4-Г-1,0-11,51-Т

4000

219

238,4

61

11,51

301,3

ПВ1-273х2-Г-1,0-10,28-Т

2000

273

236

109

10,28

261,5

ПВ1-273х4-Г-1,0-20,56-Т

4000

273

479,1

109

20,56

461,7

ПВ1-325х2-Г-1,0-14,24-Т

2000

325

302,7

151

14,24

338,7

ПВ1-325х4-Г-1,0-28,49-Т

4000

325

632,4

151

28,49

594,4

Заводской комплект поставки

Write Your Own Review

You're reviewing: Mauris in cursu

How do you rate this product? *

  1 star 2 stars 3 stars 4 stars 5 stars
Price
Value
Quality

Подписка

Статус заказа

Контакты

  • 144002, Московская область, г. Электросталь, ул. Горького, д. 38
  • 8 (496) 573-9373, 8 (496) 573-6324, 8 (496) 572-4876, 8 901 559-6469, 8 901 595-4387.
  • info@te-company.ru